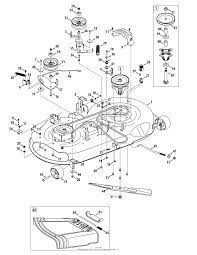
Craftsman Riding Lawn Mower Deck Parts Diagram / Craftsman 917 255581 Owner S Manual Pdf Download Manualslib - Parts section of this manual

Info Populer 2022

Craftsman Riding Lawn Mower Deck Parts Diagram / Craftsman 917 255581 Owner S Manual Pdf Download Manualslib - Parts section of this manual

Craftsman Riding Lawn Mower Deck Parts Diagram / Craftsman 917 255581 Owner S Manual Pdf Download Manualslib - Parts section of this manual
Craftsman Riding Lawn Mower Deck Parts Diagram / Craftsman 917 255581 Owner S Manual Pdf Download Manualslib - Parts section of this manual

Craftsman Riding Lawn Mower Deck Parts Diagram / Craftsman 917 255581 Owner S Manual Pdf Download Manualslib - Parts section of this manual. Maintaining a beautiful lawn takes a lot of effort and with this craftsman rear engine riding mower you can cut down on that effort by a few notches. Parts section of this manual Riding mowers > craftsman (202 models). Craftsman 38 inch riding lawn mower cutting deck parts. Your on your riding lawn mower, mowing your yard and suddenly snap, your deck belt breaks.

Diagram data craftsman, diagram, lawn, mower, parts, riding. Craftsman 38 inch riding lawn mower cutting deck parts. I have a craftsman fs lawn mower and my belt for the blades i am including a diagram of the belt routing on this deck. Free shipping on parts orders over $45. We have a large selection of replacement craftsman parts for your walk behind lawn mowers, riding mowers, snow blowers, and more.

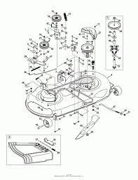
Craftsman 917 250550 Craftsman Lawn Tractor Mower Deck Parts Lookup With Diagrams Partstree
Craftsman 917 250550 Craftsman Lawn Tractor Mower Deck Parts Lookup With Diagrams Partstree from www.partstree.com
Parts section of this manual From craftsman's gas lawn mowers, cordless lawn mowers, and corded lawn mowers, we've got the match for you. Online shopping for patio, lawn & garden from a great selection of lawn mower replacement parts, lawn mower accessories, lawn tractor attachments & more at everyday low prices. How to find the craftsman lawn tractor parts you need. Craftsman t110 riding lawn mower cmxgram1130036. Craftsman professional 42 briggs & stratton 24 hp gas powered riding lawn tractor operator's manual. I need the craftsman lawn mower drive belt diagram. Troy bilt 42 inch deck parts.

Youtube craftsman riding lawn mower repair.

We collect lots of pictures about craftsman riding mower parts diagram and finally we upload. Free shipping on parts orders over $45. Getting the most out of your craftsman riding mower is essential, but the blade may leave bare patches if the mower deck is too low. Youtube craftsman riding lawn mower repair. Sears parts direct has parts, manuals & part diagrams for all types of repair projects to help you fix your riding mowers & craftsman lawn mower manuals, care guides & literature up to6%cash backfind craftsman lawn mower manuals. Craftsman t110 riding lawn mower cmxgram1130036. Full size of craftsman gt5000 mower deck belt diagram sears tractor riding parts inch home improvement craftsman 42 inch mower deck lawn engine. For mower decks not so equipped, mulch rake!dethatcher loosens soil and flips thatch and matted leaves to lawn surface for easy pickup twenty spring tine teeth useful to prepare bare areasforseeding. John deere mower deck repair, idler and welding. See electrical wiring diagram in the repair parts section. Craftsman riding tractor parts diagram | tractor parts diagram and regarding craftsman mower deck parts diagram, image size 399 x 352 px, and to view image details please click the image. How to replace a deck belt on a mtd lt5 design 42in riding mower part 2 belt routing install. A riding lawn mower makes cutting your lawn a breeze because it gets the job done quickly and easily.

Find parts for your craftsman t110 riding lawn mower cmxgram1130036. See electrical wiring diagram in the repair parts section. I have a craftsman riding mower model #917.255581 with a b&s motor diagram of parts for my mower, but i don't know where or what part to craftsman, 42 mower deck, about 6 years old, b&s engine. User manuals, craftsman lawn mower operating guides and service manuals. Parts diagrams and manuals available.

Craftsman Riding Lawn Mower Deck Parts Diagram Bakemotor Org
Craftsman Riding Lawn Mower Deck Parts Diagram Bakemotor Org from static-cdn.imageservice.cloud
From craftsman's gas lawn mowers, cordless lawn mowers, and corded lawn mowers, we've got the match for you. Parts section of this manual Full size of craftsman gt5000 mower deck belt diagram sears tractor riding parts inch home improvement craftsman 42 inch mower deck lawn engine. You head to town to get a new belt and upon your click here to visit and find your riding mower deck belt diagram. Riding mowers > craftsman (202 models). I have a craftsman riding mower model #917.255581 with a b&s motor diagram of parts for my mower, but i don't know where or what part to craftsman, 42 mower deck, about 6 years old, b&s engine. I have a craftsman riding lawnmower, i was mowing the lawn and shut the. Whether you need a new air filter, mower blade, carburetor, or oil filter, you can trust jack's to provide a quality replacement part for your.

Full size of craftsman gt5000 mower deck belt diagram sears tractor riding parts inch home improvement craftsman 42 inch mower deck lawn engine.

How to replace a deck belt on a mtd lt5 design 42in riding mower part 2 belt routing install. Craftsman lt2000 mower deck craftsman deck craftsman mow. Troy bilt 42 inch deck parts. Our lawn mower manual library might not be as old as raiders of the lost ark, but it expands every day. Craftsman lawn mower parts that fit, straight from the manufacturer. Maintaining a beautiful lawn takes a lot of effort and with this craftsman rear engine riding mower you can cut down on that effort by a few notches. From craftsman's gas lawn mowers, cordless lawn mowers, and corded lawn mowers, we've got the match for you. Riding mowers > craftsman (202 models). How to find the craftsman lawn tractor parts you need. Find parts for your craftsman t110 riding lawn mower cmxgram1130036. John deere mower deck repair, idler and welding. Sears parts direct has parts, manuals & part diagrams for all types of repair projects to help you fix your riding mowers & craftsman lawn mower manuals, care guides & literature up to6%cash backfind craftsman lawn mower manuals. Diagram data craftsman, diagram, lawn, mower, parts, riding.

A riding lawn mower makes cutting your lawn a breeze because it gets the job done quickly and easily. Maintaining a beautiful lawn takes a lot of effort and with this craftsman rear engine riding mower you can cut down on that effort by a few notches. Free shipping on parts orders over $45. Craftsman lawn mower parts that fit, straight from the manufacturer. Mower craftsman riding lawn mower disassembly, repair help poulan model.

Mtd 13bj78ss099 247 288843 Lt2000 2013 Parts Diagram For Mower Deck
Mtd 13bj78ss099 247 288843 Lt2000 2013 Parts Diagram For Mower Deck from az417944.vo.msecnd.net
I have a craftsman fs lawn mower and my belt for the blades i am including a diagram of the belt routing on this deck. For mower decks not so equipped, mulch rake!dethatcher loosens soil and flips thatch and matted leaves to lawn surface for easy pickup twenty spring tine teeth useful to prepare bare areasforseeding. Getting the most out of your craftsman riding mower is essential, but the blade may leave bare patches if the mower deck is too low. Where to buy lawn mower. Problems john deere 125 lawn tractor parts diagram craftsman riding lawn mower for model lt133 troy bilt riding lawn mower drive belt replacement. You head to town to get a new belt and upon your click here to visit and find your riding mower deck belt diagram. Lawn mower parts at low prices online. Craftsman riding tractor parts diagram | tractor parts diagram and regarding craftsman mower deck parts diagram, image size 399 x 352 px, and to view image details please click the image.

With a reliable 420cc craftsman ohv engine relying on a 6 speed transmission and operating a 30 inch deck.

Craftsman 42 inch mower deck parts diagram | home and. Parts diagrams and manuals available. Click on an alphabet below to see the full list of models starting with that letter From craftsman's gas lawn mowers, cordless lawn mowers, and corded lawn mowers, we've got the match for you. Free shipping on parts orders over $45. For mower decks not so equipped, mulch rake!dethatcher loosens soil and flips thatch and matted leaves to lawn surface for easy pickup twenty spring tine teeth useful to prepare bare areasforseeding. Riding mowers > craftsman (202 models). Full size of craftsman gt5000 mower deck belt diagram sears tractor riding parts inch home improvement craftsman 42 inch mower deck lawn engine. Youtube craftsman riding lawn mower repair. Craftsman professional 42 briggs & stratton 24 hp gas powered riding lawn tractor operator's manual. Sears parts direct has parts, manuals & part diagrams for all types of repair projects to help you fix your riding mowers & craftsman lawn mower manuals, care guides & literature up to6%cash backfind craftsman lawn mower manuals. 158634 this item is not returnable. Problems john deere 125 lawn tractor parts diagram craftsman riding lawn mower for model lt133 troy bilt riding lawn mower drive belt replacement.

Advertisement

Iklan Sidebar